「本文来源:中国市场监管报」
工业和信息化部、国家标准委近日联合印发《国家智能制造标准体系建设指南(2021版)》(以下简称《指南》),持续完善国家智能制造标准体系,指导建设各细分行业智能制造标准体系,切实发挥好标准对于智能制造的支撑和引领作用。
智能制造是基于先进制造技术与新一代信息技术深度融合,贯穿于设计、生产、管理、服务等产品全生命周期,具有自感知、自决策、自执行、自适应、自学习等特征,旨在提高制造业质量、效率效益和柔性的先进生产方式。
《指南》包括智能制造系统架构、总体要求、建设思路、建设内容、组织实施5部分内容,并提出阶段性建设目标,即到2023年,制修订100项以上国家标准、行业标准,不断完善先进适用的智能制造标准体系,重点加快制定关键技术标准;到2025年,在基础共性、关键技术、行业应用等方面形成较为完善的标准簇,逐步构建起适应技术创新趋势、满足产业发展需求、对标国际先进水平的智能制造标准体系。
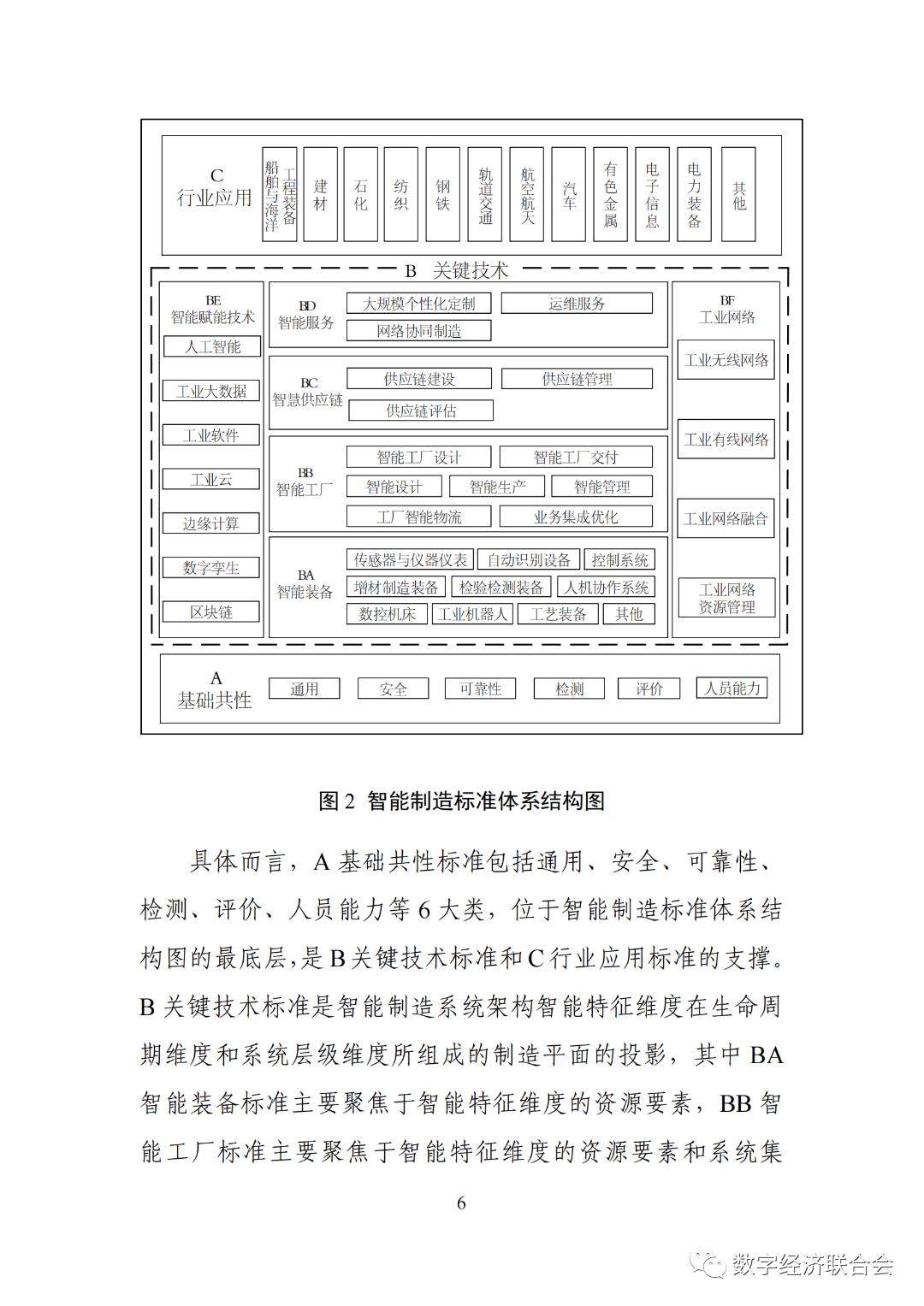
《指南》明确国家智能制造标准体系建设包括三方面内容。其中,基础共性标准主要包括通用、安全、可靠性、检测、评价、人员能力等6个部分,关键技术标准主要包括智能装备、智能工厂、智慧供应链、智能服务、智能赋能技术和工业网络等6个部分,行业应用标准主要包括船舶与海洋工程装备、建材、石化、纺织、钢铁、轨道交通、航空航天、汽车、有色金属、电子信息、电力装备及其他等12个部分。
《指南》提出,智能制造标准编制要发挥基础共性标准和关键技术标准在行业标准制定中的指导和支撑作用,注重行业标准与国家标准间的协调配套,结合行业特点,重点制定规范、规程和指南类应用标准,进一步推进或完善行业智能制造标准体系。
国家智能制造标准体系建设指南2021



















